-
Під замовлення (вартість вказана орієнтовна; прорахунок здійснюється за індивідуальним замовленням)
Інженер-конструктор з Електрощитового Обладнання
Підрахунок замовлення
Щит автоматичного введення резерву АВРто-200-100А
-
141174АВРту-200-1008537Під замовлення — тільки під замовлення
Доставка в будь-яке місто України протягом 2-3 робочих днів
Знижки постійним клієнтам- Ми працюємо по 100% передоплаті
- Мінімальна сума замовлення 500 грн
- Безготівковий розрахунок
- Онлайн оплата за реквізитами
Захист споживача
Опитувальний лист по АВР
-
Характеристики
- Номінальний струм: 100А
- Номінальна напруга: 400В
- Частота мережі: 50 Гц
- Облік електроенергії: Так
- Кількість вводів: 2
- Країна реєстрації бренда: Україна
♦ Умови оформлення замовлення на збирання щитового обладнання ♦
- Клієнт надсилає технічне завдання (у телефонному режимі, на електронну пошту, у соціальних мережах та ін.
- Відповідно до технічного завдання ми робимо комерційну пропозицію і відправляємо Вам її будь-яким каналом зв'язку
- Створюємо типовий договір на співпрацю з Вами
- Ви оплачуєте своє замовлення зручним для Вас способом відповідно рахунку виставленого нашою компанією
- Ми найближчим часом починаємо складання щитового обладнання (терміни можуть змінюватися в залежності від ступеня навантаження в нашій компанії)
- Після збирання щитовий виріб перевіряється нашими висококваліфікованими технічними фахівцями на коректність роботи
- Доставка за Вашою адресою обумовленим способом
- Монтаж та налагодження (якщо це передбачено в договорі)
- У комплекті зі щитовим обладнанням ми постачаємо таку документацію: паспорт на готовий виріб; схему електричну
- Все електрощитове обладнання проводиться згідно з технічними умовами ТУ У 27.1-42055633-001:2020
Компанія «Інсталл Групп» займається виробництвом щитового обладнання типу АВР (Автоматичне введення резерву). Дане щитове обладнання представлене та реалізується в Інтернет-магазині «Електроконтроль». Складання щитів проводиться фахівцями необхідної кваліфікації у виробничому цеху компанії «Інсталл Групп». Проектування, складання та монтаж проводиться з урахуванням вимог ПУЕ, безпеки та ресурсозбереження.
Ціна щита автоматичного введення резерву з можливістю технічного обліку електроенергії АВРто-200 прорахована з використанням обладнання номінального струму 100А. Компанія "Інсталл Групп" може виконати АВРто-200 з номіналом струму від 10А до 630А. Також за вимогою замовника можливе встановлення комерційного обліку в щиті автоматичного введення резерву.
Щит автоматичного введення резерву (АВР) – один із типів електрощитового обладнання, призначений для забезпечення безперебійної роботи споживача електромережею напругою 400В змінного струму частотою мережі 50 Гц шляхом перемикання навантаження між основним та резервним джерелами живлення. Джерелами живлення, між якими відбувається перемикання (при пропаданні основного введення електроживлення) можуть бути два незалежні введення (за схемою «місто 1» - «місто 2» з пріоритетом по одному з вводів), або між основним та резервним джерелом (ГЕС – генераторна електро -станція). Даний тип щитового обладнання використовують як у побутовій сфері, так і в промисловій сфері (коли тривала зупинка подачі електроживлення не допустима для стабільної та без аварійної роботи).
Використання технічного обліку електроенергії дозволяє забезпечити ефективний розподіл та контроль електроенергії для потреб технічного характеру, дає можливість шукати та використовувати різні способи зниження рівня споживання цього виду ресурсу. Технічний облік електроенергії, що відтворюється, передається та використовується на конкретному об'єкті: виробничі об'єкти, виробничі цехи, житлові багатоквартирні будинки, адмін та бізнес-центри, підприємства, паркінг. Ведення технічного обліку є суто внутрішнім обліком підприємства, використовується лише для обліку всередині об'єкта. Для сторонніх організацій параметри цього обліку не доступні та є юридично необґрунтованими.
Габаритні розміри та зовнішній вигляд АВРто-200-100А:
.png)
Конструктивне виконання корпусу щита автоматичного введення резерву з технічним обліком АВРто-200-100А:
⇒ Розмір – 800х650х250мм (ВхШхГ)
⇒ Матеріал корпусу: металевий (можливість вибору товщини металу: 0,8мм; 1мм; 1,2мм)
⇒ Тип фарбування – порошкове, колір RAL7035 (при необхідності можна вибрати інший колір під потреби замовника)
⇒ Кліматичне виконання – IP54 (за бажанням замовника можна виконати різні варіанти кліматичного виконання)
⇒ Країна виробник – Україна
⇒ Виробник – ТОВ «Інсталл Групп».
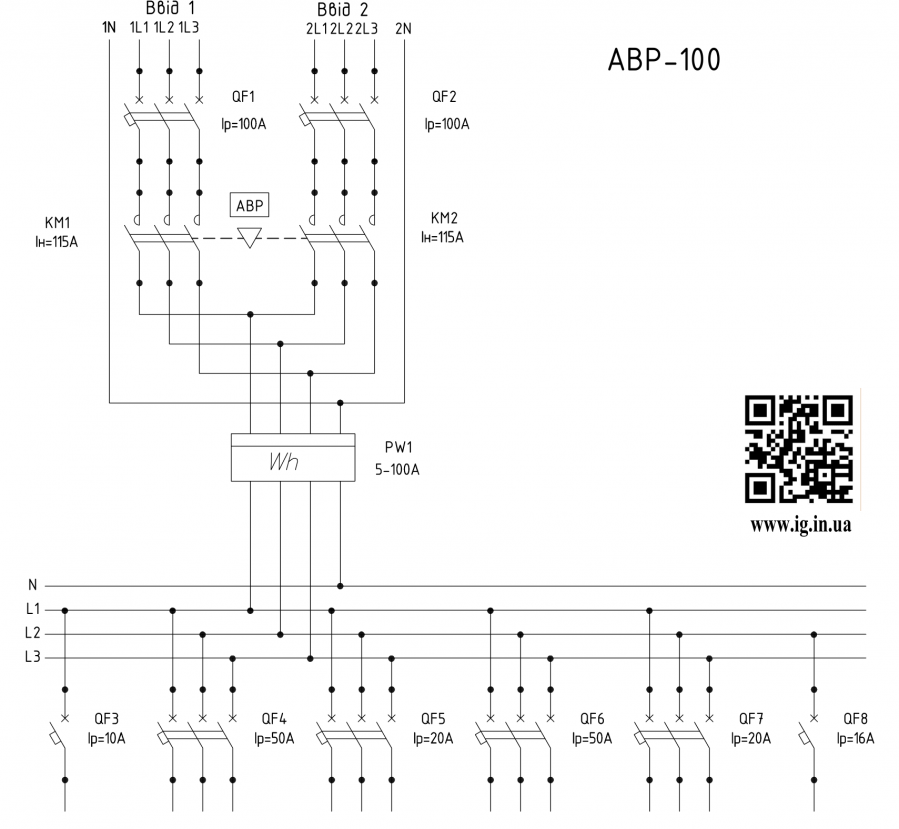
Схема керування щитом автоматичного введення резерву з технічним обліком АВРто-200-100A:
.png)
Принцип роботи цієї схеми автоматичного введення резерву з можливістю технічного обліку АВРто-200-100А:
Щит автоматичного введення резерву АВРту-200-100А забезпечує автоматичне введення резерву з можливістю ведення технічного обліку. Силові контактори КМ1 та КМ2 забезпечують надійну комутацію електроенергії та оснащені електричним та механічним блокуванням, для забезпечення безаварійної роботи установки. Дана схема працює за пріоритетом одного із вводів "Введення 1" (перемикання на робочу лінію "Введення 1" відбувається незалежно від наявності електроживлення на резервній лінії).
Також у цій схемі передбачено технічний облік споживаної електроенергії з допомогою трифазного лічильника прямого підключення 100А PW1.
Основний комплект обладнання, яке входить до АВРто-200-100А:
♦ Два ввідні трьохполюсні автоматичні вимикачі
♦ Два трифазні автоматичні вимикачі для захисту РКФ
♦ Два силові контактори для комутації навантаження в ланцюгу
♦ Два реле напруги, перекосу та послідовності фаз для контролю наявність напруги на кожній із фаз, правильність їх перемикання, контролю параметрів роботи мережі
♦ Трифазний лічильник електроенергії прямого підключення виробника Gama (Україна) з номіналом струму 100А. Є можливість укомплектувати лічильниками наступних виробників: SEZ (Чехія), Hager (Франція), Eaton (США), Shneider electric (Франція), F&F (Польща), ETI (Словенія), Eastron (Китай), Hiking (Китай), Tomzn ( Китай), Phoenix Contact (Німеччина), Tense (Туреччина), E.NEXT (Україна), ORNO (Польща), Zamel (Польща), Smart-MAIC (Україна). Також можливе встановлення лічильників під комерційний облік: NiK (Україна), MTX Teleс (Україна), Gama (Україна).
♦ Індикатори світлової сигналізації
♦ Автоматичні вимикачі для підключення споживачів (на вимогу ТЗ)
♦ На вимогу замовника можливе встановлення додаткової апаратури: реле часу, амперметрів, вольтметрів, аналізатора параметрів мережі тощо.
Ціна, вказана на сайті, була прорахована з використанням обладнання виробника CHINT. При складанні даного щитового обладнання можна використовувати наступних європейських виробників: Eaton (США), ЕТI (Словенія), ABB (Німеччина), Schneider Electric (Франція), Hager (Німеччина) та ін. А також з інших бюджетних іменитих брендів: CHINT (Китай), CNC (Китай), UEC (Україна), АСКО-УКРЕМ (Україна), Промфактор (Україна) і т.д.
Відео огляди на товар Щит автоматичного введення резерву АВРто-200-100А
Подібні товари
- Під замовлення (вартість вказана орієнтовна; прорахунок здійснюється за індивідуальним замовленням)Швидкий перегляд
- Під замовлення (вартість вказана орієнтовна; прорахунок здійснюється за індивідуальним замовленням)Швидкий перегляд
- Під замовлення (вартість вказана орієнтовна; прорахунок здійснюється за індивідуальним замовленням)Швидкий перегляд
- Під замовлення (вартість вказана орієнтовна; прорахунок здійснюється за індивідуальним замовленням)Швидкий перегляд
- Під замовлення (вартість вказана орієнтовна; прорахунок здійснюється за індивідуальним замовленням)Швидкий перегляд
- Під замовлення (вартість вказана орієнтовна; прорахунок здійснюється за індивідуальним замовленням)Швидкий перегляд
- Під замовлення (вартість вказана орієнтовна; прорахунок здійснюється за індивідуальним замовленням)Швидкий перегляд
- Під замовлення (вартість вказана орієнтовна; прорахунок здійснюється за індивідуальним замовленням)Швидкий перегляд
- Під замовлення (вартість вказана орієнтовна; прорахунок здійснюється за індивідуальним замовленням)Швидкий перегляд
- Під замовлення (вартість вказана орієнтовна; прорахунок здійснюється за індивідуальним замовленням)Швидкий перегляд
- Під замовлення (вартість вказана орієнтовна; прорахунок здійснюється за індивідуальним замовленням)Швидкий перегляд
- Під замовлення (вартість вказана орієнтовна; прорахунок здійснюється за індивідуальним замовленням)Швидкий перегляд
Під замовлення (вартість вказана орієнтовна; прорахунок здійснюється за індивідуальним замовленням)
Виробники
- 2E (Китай)
- Adal Pano (Туреччина)
- Altek (Україна)
- ANKER (Китай)
- APRO (Україна)
- BactoSfera (Україна)
- Berker (Німеччина)
- BM Group (Італія)
- Cetinkaya Pano (Туреччина)
- CHINT (Китай)
- CNC (Китай)
- Courbi (Греція)
- DATAKOM (Туреччина)
- Devi (Данія)
- Deye (Китай)
- DigiTop (Україна)
- DKC (Україна)
- Dyness (Китай)
- E.NEXT (Україна)
- EAE Electric
- Eastron (Китай)
- Eaton (США)
- ElectrO (Україна)
- Eleks (Україна)
- Entes (Туреччина)
- EON (Таїланд)
- ETI (Словенія)
- ETREL (Словенія)
- Evrosvet (Україна)
- Extherm (Німеччина)
- F&F (Польща)
- FS (Україна)
- Galkat (Україна)
- GAMA (Україна)
- GARO (Австрія)
- GENERICA (Китай)
- Gewiss (Італія)
- Ginlong Solis (Китай)
- GreenVision (Китай)
- Hager (Німеччина)
- Haupa (Німеччина)
- Hemstedt (Німеччина)
- Horoz Electric (Туреччина)
- Huawei (Китай)
- IME (Італія)
- Install Group (Україна)
- IPmall (Україна)
- JA SOLAR (Китай)
- Jokari (Німеччина)
- Kanlux
- Katko (Фінляндія)
- KNIPEX (Чехія)
- Kolarz (Австрія)
- Kopos (Чехія)
- Legrand (Франція)
- LogicPower (Україна)
- LuxPower (Китай)
- Massive (Бельгія)
- NIK (Україна)
- NOARK
- OBO Betterman (Німеччина)
- Onka (Туреччина)
- OZKA (Україна)
- Phoenix Contact (Німеччина)
- Plank Electrotechnic (Україна)
- Pro'sKit (Тайвань)
- PYLONTECH (Китай)
- Radpol (Польща)
- Raut (Україна)
- Reliance (Україна)
- REM POWER (Словенія)
- Schneider-Electric (Франція)
- Selec (Індія)
- SEZ (Словаччина)
- Siemens (Німеччина)
- Socomec (Франція)
- SOFAR (Китай)
- Sungrow (Китай)
- TAB (Словенія)
- Takel (УкраЇна)
- Technoelectric (Італія)
- Technosystems (Україна)
- TeleTec (Україна)
- TEM (Словенія)
- Tense (Туреччина)
- Terneo (Україна)
- Testboy (Німеччина)
- UEC (Україна)
- UEK (Україна)
- Vargo (Україна)
- Vimar (Італія)
- Volter (Україна)
- Volterm (Україна)
- Wago (Німеччина)
- Wallbox (Іспанія)
- WURTH (Німеччина)
- Zubr (Україна)
- АС Привод (Україна)
- АСКО-УКРЕМ (Україна)
- Білмакс
- Запорізький завод кольорових металів (ЗЗКМ)
- Каблекс Одеса
- Мегомметр (Україна)
- Новатек-Електро (Україна)
- Одескабель Одеський кабельний завод
- Промфактор
- Термофіт
- Укренерго-Альянс (Україна)





