-
Під замовлення (вартість вказана орієнтовна; прорахунок здійснюється за індивідуальним замовленням)
Інженер-конструктор з Електрощитового Обладнання
Підрахунок замовлення
Блок автоматичного управління аварійним освітленням БАУОа (фотореле)
-
141182БАУОа-18537Під замовлення — тільки під замовлення
Доставка в будь-яке місто України протягом 2-3 робочих днів
Знижки постійним клієнтам- Ми працюємо по 100% передоплаті
- Мінімальна сума замовлення 500 грн
- Безготівковий розрахунок
- Онлайн оплата за реквізитами
Захист споживача
-
Характеристики
- Частота мережі: 50 Гц
- Комплектація щитового обладнання, яке представлене на фото може не відповідати вказаній ціні і опису: !!!
- Елемент управління: фотореле
- Країна виробник товару: Україна
♦ Умови оформлення замовлення на збирання щитового обладнання ♦
- Клієнт надсилає технічне завдання (у телефонному режимі, на електронну пошту, у соціальних мережах та ін.
- Відповідно до технічного завдання ми робимо комерційну пропозицію і відправляємо Вам її будь-яким каналом зв'язку
- Створюємо типовий договір на співпрацю з Вами
- Ви оплачуєте своє замовлення зручним для Вас способом відповідно рахунку виставленого нашою компанією
- Ми найближчим часом починаємо складання щитового обладнання (терміни можуть змінюватися в залежності від ступеня навантаження в нашій компанії)
- Після збирання щитовий виріб перевіряється нашими висококваліфікованими технічними фахівцями на коректність роботи
- Доставка за Вашою адресою обумовленим способом
- Монтаж та налагодження (якщо це передбачено в договорі)
- У комплекті зі щитовим обладнанням ми постачаємо таку документацію: паспорт на готовий виріб; схему електричну
- Все електрощитове обладнання проводиться згідно з технічними умовами ТУ У 27.1-42055633-001:2020
Компанія «Інсталл Групп» займається виробництвом щитового обладнання типу БАУОа (блок автоматичного керування аварійним освітленням). Дане щитове обладнання представлене та реалізується в Інтернет-магазині «Електроконтроль». Складання щитів проводиться фахівцями високої кваліфікації у виробничому цеху компанії «Інсталл Групп». Проектування, складання та монтаж проводиться з урахуванням вимог ПУЕ, безпеки та ресурсозбереження.
Ціна щита БАУОа (блоку автоматичного управління аварійним освітленням) для керування 1-ю групою освітлення (до якого підключено 14 споживачів) прорахована з використанням обладнання виробника CHINT (Китай).
БАУОа (блок автоматичного управління аварійним освітленням) призначений для автоматизації процесу керування освітлювальними системами. Він забезпечує автоматичне включення та вимкнення освітлення залежно від фактичного рівня освітленості в приміщенні. БАУО дозволяє ефективно використовувати енергію, знижуючи витрати на електроенергію та підвищуючи комфорт. Блок автоматичного управління робочим освітленням широко використовується в офісах, торгових центрах, громадських будівлях та інших місцях, де потрібне ефективне та зручне освітлення.
Зовнішній вигляд та габаритні розміри блока автоматичного керування аварійним освітленням БАУОа:
-1(2).png)
Конструктивне виконання корпусу БАУОа:
- Матеріал корпусу:метал (можливість вибору матеріалу корпусу: пластик, поліестер, метал)
- Тип корпусу – навісний (або вбудований, на вимогу замовника)
- Ступінь захисту – IP31 (за бажанням замовника можна виконати й інший ступінь захисту)
- Кількість модулів – 48 шт
- Тип фарбування – порошкове, колір RAL7035 (при необхідності можна вибрати інший колір під потреби замовника)
- Країна виробник – Україна
- Виробник - ТОВ «Інсталл Групп»
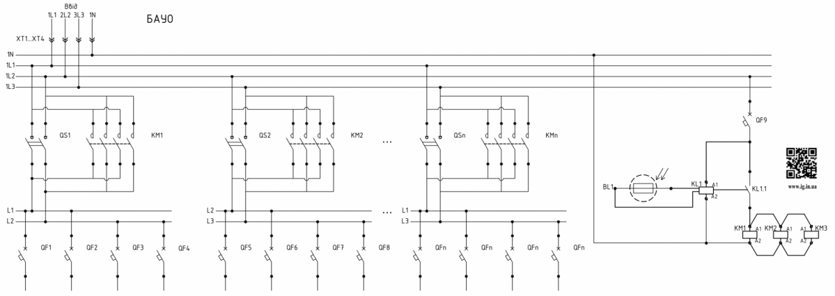
Схема управління БАУОа:
.png)
Опис роботи даної схеми:
У схемі керування щита БАУОа передбачено ручний та автоматичний режим роботи. Автоматичний режим роботи схеми освітлення організовано за допомогою фотореле - подача сигналу на включення контакторів КМ1, КМ2, КМn (до яких підключені групи освітлення) відбувається тільки, коли контакт фотореле замыкается (в залежності від фактичного рівня освітленості). Вимикачі навантаження призначені для забезпечення у схемі функції Byраss (коли необхідно вручну включити/вимкнути групу освітлення).
Компанія «Інсталл Групп» може виконати БАУОа на різну кількість груп освітлення.
Основний комплект обладнання, що входить до блоку автоматичного управління аварійним освітленням БАУОа:
♦ Модульний вимикач навантаження
♦ Модульний контактор
♦ Фотореле
♦ Автоматичні вимикачі для підключення споживачів
♦ Блок розподільний
♦ Нульова шина N та шина заземлення PE.
При складанні даного щитового обладнання можна використовувати наступних європейських виробників: Eaton (США), ЕТI (Словенія), ABB (Німеччина), Schneider Electric (Франція), Hager (Німеччина) та ін. А також з інших бюджетних іменитих брендів: CHINT (Китай), CNC (Китай), UEC (Україна), АСКО-УКРЕМ (Україна), Промфактор (Україна) і т.д.
Відео огляди на товар Блок автоматичного управління аварійним освітленням БАУОа (фотореле)
Подібні товари
- Під замовлення (вартість вказана орієнтовна; прорахунок здійснюється за індивідуальним замовленням)Швидкий переглядInstall Group (Україна)БАУОр-1
- Під замовлення (вартість вказана орієнтовна; прорахунок здійснюється за індивідуальним замовленням)Швидкий перегляд
Виробники
- 2E (Китай)
- Adal Pano (Туреччина)
- Altek (Україна)
- ANKER (Китай)
- APRO (Україна)
- BactoSfera (Україна)
- Berker (Німеччина)
- BM Group (Італія)
- Cetinkaya Pano (Туреччина)
- CHINT (Китай)
- CNC (Китай)
- Courbi (Греція)
- DATAKOM (Туреччина)
- Devi (Данія)
- Deye (Китай)
- DigiTop (Україна)
- DKC (Україна)
- Dyness (Китай)
- E.NEXT (Україна)
- EAE Electric
- Eastron (Китай)
- Eaton (США)
- ElectrO (Україна)
- Eleks (Україна)
- Entes (Туреччина)
- EON (Таїланд)
- ETI (Словенія)
- ETREL (Словенія)
- Evrosvet (Україна)
- Extherm (Німеччина)
- F&F (Польща)
- FS (Україна)
- Galkat (Україна)
- GAMA (Україна)
- GARO (Австрія)
- GENERICA (Китай)
- Gewiss (Італія)
- Ginlong Solis (Китай)
- GreenVision (Китай)
- Hager (Німеччина)
- Haupa (Німеччина)
- Hemstedt (Німеччина)
- Horoz Electric (Туреччина)
- Huawei (Китай)
- IME (Італія)
- Install Group (Україна)
- IPmall (Україна)
- JA SOLAR (Китай)
- Jokari (Німеччина)
- Kanlux
- Katko (Фінляндія)
- KNIPEX (Чехія)
- Kolarz (Австрія)
- Kopos (Чехія)
- Legrand (Франція)
- LogicPower (Україна)
- LuxPower (Китай)
- Massive (Бельгія)
- NIK (Україна)
- NOARK
- OBO Betterman (Німеччина)
- Onka (Туреччина)
- OZKA (Україна)
- Phoenix Contact (Німеччина)
- Plank Electrotechnic (Україна)
- Pro'sKit (Тайвань)
- PYLONTECH (Китай)
- Radpol (Польща)
- Raut (Україна)
- Reliance (Україна)
- REM POWER (Словенія)
- Schneider-Electric (Франція)
- Selec (Індія)
- SEZ (Словаччина)
- Siemens (Німеччина)
- Socomec (Франція)
- SOFAR (Китай)
- Sungrow (Китай)
- TAB (Словенія)
- Takel (УкраЇна)
- Technoelectric (Італія)
- Technosystems (Україна)
- TeleTec (Україна)
- TEM (Словенія)
- Tense (Туреччина)
- Terneo (Україна)
- Testboy (Німеччина)
- UEC (Україна)
- UEK (Україна)
- Vargo (Україна)
- Vimar (Італія)
- Volter (Україна)
- Volterm (Україна)
- Wago (Німеччина)
- Wallbox (Іспанія)
- WURTH (Німеччина)
- Zubr (Україна)
- АС Привод (Україна)
- АСКО-УКРЕМ (Україна)
- Білмакс
- Запорізький завод кольорових металів (ЗЗКМ)
- Каблекс Одеса
- Мегомметр (Україна)
- Новатек-Електро (Україна)
- Одескабель Одеський кабельний завод
- Промфактор
- Термофіт
- Укренерго-Альянс (Україна)




