-
Під замовлення (вартість вказана орієнтовна; прорахунок здійснюється за індивідуальним замовленням)
Інженер-конструктор з Електрощитового Обладнання
Підрахунок замовлення
Шафа управління зовнішнім освітленням ШУЗО (ETI)
-
146375ШУНО-28537Під замовлення — тільки під замовлення
Доставка в будь-яке місто України протягом 2-3 робочих днів
Знижки постійним клієнтам- Ми працюємо по 100% передоплаті
- Мінімальна сума замовлення 500 грн
- Безготівковий розрахунок
- Онлайн оплата за реквізитами
Захист споживача
-
Характеристики
- Номінальна напруга силового ланцюга: 400В
- Номінальна напруга ланцюга керування: 230В
- Частота мережі: 50Гц
- Комплектація щитового обладнання, яка представлена на фото може не відповідати вказаній ціні і опису: !!!
- Країна виробник товару: Україна
♦Умови оформлення замовлення на збирання щитового обладнання♦
- Клієнт видає технічне завдання (у телефонному режимі, на електронну пошту, у соціальних мережах та ін.)
- Відповідно до технічного завдання ми готуємо комерційну пропозицію та відправляємо Вам її будь-яким каналом зв'язку
- Створюємо типовий договір на співпрацю з Вами
- Ви оплачуєте своє замовлення зручним для Вас способом, згідно з виставленим рахунком нашою компанією
- Ми найближчим часом починаємо складання щитового обладнання (терміни можуть змінюватися в залежності від ступеня навантаження в нашій компанії)
- Після збирання щитовий виріб перевіряється нашими висококваліфікованими технічними фахівцями на коректність роботи
- Доставка за Вашою адресою обумовленим способом
- Монтаж та налагодження (якщо це передбачено в договорі)
- У комплекті зі щитовим обладнанням ми постачаємо таку документацію: паспорт на готовий виріб; схему електричну
- Все електрощитове обладнання проводиться згідно з технічними умовами ТУ У 27.1-42055633-001:2020
Ціна на сайті вказана для шафи керування зовнішнім освітленням ШУЗО з використанням обладнання виробника ЕТІ (Словенія). Схема управління представленої шафи складається з трьох освітлювальних груп (у кожній групі підключено дванадцять освітлювальних приладів), керування освітленням відбувається за допомогою таймера часу. Компанія «ІНСТАЛЛ ГРУПП» може виконати ШУЗО для керування різною кількістю освітлювальних приладів та різними способами керування освітлювальними приладами.
Шафа управління зовнішнім освітленням ШУЗО призначена для контролю та управління освітленням на відкритих територіях. Вона забезпечує часткове увімкнення та вимкнення освітлювальних приладів, а також регулювання освітленості залежно від зовнішніх умов або заданих параметрів, дозволяє оптимізувати використання електроенергії, встановлюючи час роботи освітлювальних приладів відповідно до графіка або датчика руху. Це дозволяє знизити витрати на електроенергію. Також у ШУЗО можна організувати комерційний, технічний облік електроенергії.
Сфера застосування ШУЗО:
- У міській інфраструктурі - освітлення вулиць, доріг, мостів, пішохідних доріжок та інших громадських місць у містах та поселеннях
- Комерційні об'єкти - паркування, торгові центри, спортивні центри, аеропорти та стадіони, що вимагають ефективного управління зовнішнім освітленням.
- Промислові комплекси - промислові комплекси, заводи, склади та інші промислові об'єкти
- Житлові комплекси – багатоповерхові будинки, приватні будинки, гаражні кооперативи та котеджні селища
Шафа управління зовнішнім освітленням ШУЗО може працювати в різних умовах, залежно від вимог та навколишнього середовища:
- Погодні умови: Шафа управління зовнішнім освітленням повинна працювати надійно та безпечно в різних погодних умовах, включаючи дощ, сніг, вітер
- Вологість та вплив води: Якщо шафа керування розташована на відкритій території, вона повинна бути захищена від вологості та впливу води
- Пил і забруднення: Шафа повинна мати відповідний ступінь захисту від пилу та забруднень, щоб забезпечити надійну роботу та тривалий термін служби компонентів
- Електрична безпека: Шафа керування зовнішнім освітленням повинна відповідати електробезпеці та мати відповідні заходи захисту, такі як заземлення та ізоляція, для запобігання виникненню електричної небезпеки та забезпечення безпеки операторів та навколишнього середовища
- Температурні умови: Шафа управління може бути розроблена для роботи в різних температурних режимах, для цього шафи можуть бути оснащені вбудованими системами охолодження або підігріву, щоб підтримувати оптимальну температуру всередині.
Шафи управління зовнішнім освітленням ШУЗО за типом управління поділяються на:
♦ Автоматичне керування - датчики руху або фотореле, для визначення необхідності увімкнення або вимкнення освітлення
♦ Управління за розкладом – програмування часу роботи освітлювальних приладів.
♦ Управління за допомогою дистанційного контролю: ШУЗО має можливість дистанційного керування, що дозволяє операторам контролювати та регулювати освітлення на віддаленому об'єкті
♦ Каскадне керування — це метод, при якому кілька шаф освітлення об'єднуються в ланцюжок, і сигнал впливає від однієї шафи, що передається наступному. Така організація дозволяє уникнути пікових навантажень на електромережі, оскільки включення освітлення відбувається почергово, а не одночасно.
Тип управління ШУЗО важливо вибирати відповідно до вимог конкретного проекту чи об'єкта.
Габаритні розміри та зовнішній вигляд ШУЗО:
.png)
Конструктивне виконання шафи керування зовнішнім освітленням:
⇒ Кількість модулів – індивідуально замовленню
⇒ Матеріал корпусу: ударостійкий пластик (можливість вибору матеріалу корпусу: пластик, поліестер, метал)
⇒ Тип корпусу – навісний (або вбудований, на вимогу замовника)
⇒ Ступінь захисту – IP31 (за бажанням замовника можна виконати й інший ступінь захисту)
⇒ Країна виробник – Україна
⇒ Виробник – ТОВ «Інсталл Групп»
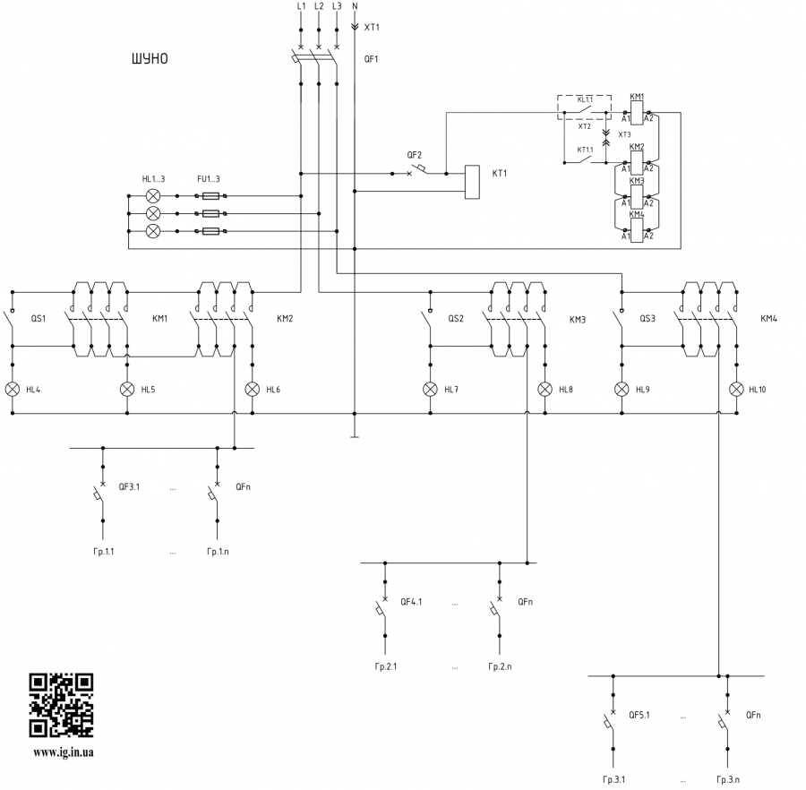
Схема шафи керування зовнішнім освітленням ШУЗО:
.png)
Основний комплект обладнання, яке входить в ШУЗО:
- Ввідний автоматичний вимикач
- Модульні контактори
- Фотореле, Таймер часу (залежно від обраного способу керування)
- Автоматичні вимикачі для підключення споживачів
- Лічильник електроенергії (якщо необхідно організувати функцію обліку електроенергії)
- Блок розподільчий
- Нульова шина N та шина заземлення PE
Ціна, вказана на сайті, була прорахована з використанням електрообладнання виробника ЕТІ. При складанні даного щитового обладнання можна використовувати наступних європейських виробників: Eaton (США), ЕТI (Словенія), ABB (Німеччина), Schneider Electric (Франція), Hager (Німеччина) та ін. А також з інших бюджетних іменитих брендів: CHINT (Китай), CNC (Китай), UEC (Україна), АСКО-УКРЕМ (Україна), Промфактор (Україна) і т.д.
Відео огляди на товар Шафа управління зовнішнім освітленням ШУЗО (ETI)
Подібні товари
- Під замовлення (вартість вказана орієнтовна; прорахунок здійснюється за індивідуальним замовленням)Швидкий перегляд
Виробники
- 2E (Китай)
- Adal Pano (Туреччина)
- Altek (Україна)
- ANKER (Китай)
- APRO (Україна)
- BactoSfera (Україна)
- Berker (Німеччина)
- BM Group (Італія)
- Cetinkaya Pano (Туреччина)
- CHINT (Китай)
- CNC (Китай)
- Courbi (Греція)
- DATAKOM (Туреччина)
- Devi (Данія)
- Deye (Китай)
- DigiTop (Україна)
- DKC (Україна)
- Dyness (Китай)
- E.NEXT (Україна)
- EAE Electric
- Eastron (Китай)
- Eaton (США)
- ElectrO (Україна)
- Eleks (Україна)
- Entes (Туреччина)
- EON (Таїланд)
- ETI (Словенія)
- ETREL (Словенія)
- Evrosvet (Україна)
- Extherm (Німеччина)
- F&F (Польща)
- FS (Україна)
- Galkat (Україна)
- GAMA (Україна)
- GARO (Австрія)
- GENERICA (Китай)
- Gewiss (Італія)
- Ginlong Solis (Китай)
- GreenVision (Китай)
- Hager (Німеччина)
- Haupa (Німеччина)
- Hemstedt (Німеччина)
- Horoz Electric (Туреччина)
- Huawei (Китай)
- IME (Італія)
- Install Group (Україна)
- IPmall (Україна)
- JA SOLAR (Китай)
- Jokari (Німеччина)
- Kanlux
- Katko (Фінляндія)
- KNIPEX (Чехія)
- Kolarz (Австрія)
- Kopos (Чехія)
- Legrand (Франція)
- LogicPower (Україна)
- LuxPower (Китай)
- Massive (Бельгія)
- NIK (Україна)
- NOARK
- OBO Betterman (Німеччина)
- Onka (Туреччина)
- OZKA (Україна)
- Phoenix Contact (Німеччина)
- Plank Electrotechnic (Україна)
- Pro'sKit (Тайвань)
- PYLONTECH (Китай)
- Radpol (Польща)
- Raut (Україна)
- Reliance (Україна)
- REM POWER (Словенія)
- Schneider-Electric (Франція)
- Selec (Індія)
- SEZ (Словаччина)
- Siemens (Німеччина)
- Socomec (Франція)
- SOFAR (Китай)
- Sungrow (Китай)
- TAB (Словенія)
- Takel (УкраЇна)
- Technoelectric (Італія)
- Technosystems (Україна)
- TeleTec (Україна)
- TEM (Словенія)
- Tense (Туреччина)
- Terneo (Україна)
- Testboy (Німеччина)
- UEC (Україна)
- UEK (Україна)
- Vargo (Україна)
- Vimar (Італія)
- Volter (Україна)
- Volterm (Україна)
- Wago (Німеччина)
- Wallbox (Іспанія)
- WURTH (Німеччина)
- Zubr (Україна)
- АС Привод (Україна)
- АСКО-УКРЕМ (Україна)
- Білмакс
- Запорізький завод кольорових металів (ЗЗКМ)
- Каблекс Одеса
- Мегомметр (Україна)
- Новатек-Електро (Україна)
- Одескабель Одеський кабельний завод
- Промфактор
- Термофіт
- Укренерго-Альянс (Україна)







