-
Під замовлення (вартість вказана орієнтовна; прорахунок здійснюється за індивідуальним замовленням)
Інженер-конструктор з Електрощитового Обладнання
Підрахунок замовлення
Пристрій компенсації реактивої потужності 260кВар ПКРП-0,4-260-8-20
-
162091УКРМ-0,4-260-8-208537Під замовлення — тільки під замовлення
Доставка в будь-яке місто України протягом 2-3 робочих днів
Знижки постійним клієнтам- Ми працюємо по 100% передоплаті
- Мінімальна сума замовлення 500 грн
- Безготівковий розрахунок
- Онлайн оплата за реквізитами
Захист споживача
Опитувальний лист ПКРП
-
Характеристики
- Номінальна потужність: 260кВар
- Мінімальна ступінь: 20 кВАр
- Кількість ступенів: 8
- Номінальний струм установки: 630А
- Номінальна напруга: 400 В (440В)
- Ступінь захисту: IP31
- Країна виробник товару: Україна
♦Умови оформлення замовлення на збирання щитового обладнання♦
- Клієнт видає технічне завдання (у телефонному режимі, на електронну пошту, у соціальних мережах та ін.)
- Відповідно до технічного завдання ми готуємо комерційну пропозицію та відправляємо Вам її будь-яким каналом зв'язку
- Створюємо типовий договір на співпрацю з Вами
- Ви оплачуєте своє замовлення зручним для Вас способом, згідно з виставленим рахунком нашою компанією
- Ми найближчим часом починаємо складання щитового обладнання (терміни можуть змінюватися в залежності від ступеня навантаження в нашій компанії)
- Після збирання щитовий виріб перевіряється нашими висококваліфікованими технічними фахівцями на коректність роботи
- Доставка за Вашою адресою обумовленим способом
- Монтаж та налагодження (якщо це передбачено в договорі)
- У комплекті зі щитовим обладнанням ми постачаємо таку документацію: паспорт на готовий виріб; схему електричну
- Все електрощитове обладнання проводиться згідно з технічними умовами ТУ У 27.1-42055633-001:2020
Компанія «Інсталл Групп» займається виробництвом щитового обладнання типу ПКРП; КУ (пристрій компенсації реактивної потужності; конденсаторна установка). Дане щитове обладнання представлене та реалізується в Інтернет-магазині «Електроконтроль». Складання щитів проводиться фахівцями високої кваліфікації у виробничому цеху компанії «Інсталл Групп». Проектування, складання та монтаж проводиться з урахуванням вимог ПУЕ, безпеки та ресурсозбереження.
Компанія «Інсталл Групп» виробляє пристрої компенсації реактивної потужності будь-якої потужності, на різну кількість ступенів, для різних кліматичних виконань та інше (індивідуально для кожного замовлення).
Структура умовного позначення конденсаторної установки ПКРП 0,4:
ПКРП XX -ХХХ - ХХ - Х - У3
1 2 3 4 5 6
1. Автоматична конденсаторна установка. Можливі скорочення, які використовуються для конденсаторних установок 0,4:
o УКП - установка компенсації потужності;
o КРМ - компенсації реактивної потужності;
o ПКРП - пристрій компенсації реактивної потужності;
o ККУ - комплектна конденсаторна установка;
o АКУ - автоматична конденсаторна установка.
2. Номінальна напруга установки (кВ)
3. Номінальна потужність установки (кВар).
4. Кількість ступенів (шт)
5. Номінальна потужність мінімальної ступені регулювання (кВАр).
6. Кліматичне виконання згідно з ГОСТ 15150-69.
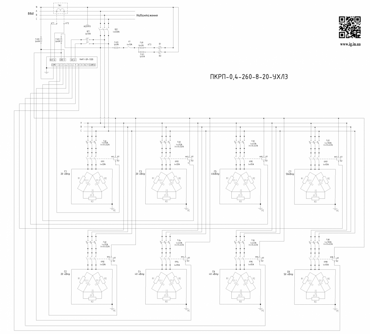
В даному випадку це ПКРП-0,4-260-8-20: пристрій компенсації реактивної потужності в мережі напругою 400В, потужність установки350кВар, кількість ступенів 8 шт., потужність мінімальної ступені 20 кВар.
Пристрої компенсації реактивної потужності використовуються у розподільчих системах та є ефективними та дієвими інструментами для зниження споживання реактивної потужності споживачами електроенергії у мережах 0,4 кВ. ПКРП 0,4 260 кВар ПКРП - 0.4 - 260 - 8 – 20 забезпечує пряму компенсацію реактивної енергії, вносячи вирішальний внесок у стабілізацію напруги та струмів у мережі. Використовується для підтримки постійного заданого значення коефіцієнта потужності - (cos φ) в електричних розподільних мережах промислових підприємств та інших об'єктів з напругою 380В, 50 Гц.
Використання конденсаторної установки 0,4 кв 260 кВар ПКРП - 0.4 - 260 - 8 - 20 УЗ дозволяє:
- розвантажити лінії електропередачі, трансформатори та розподільні пристрої;
- скоротити витрати на електроенергію для вашого підприємства
- дозволяє знизити рівень вищих гармонік;
- знижує розбалансування фаз та перешкод у мережі;
Конденсаторна установка 260кВар ПКРП - 0.4 - 260 - 8 – 20 УЗ зроблена з використанням високоякісних компонентів, підвищуючих ефективність роботи розподільчих мереж та забезпечують більшу надійність.
Шафи ПКРП 0,4 260 кВар ПКРП - 0.4 - 260 - 8 – 20 УЗ виконуються на базі каркасних або цільнозварних металоконструкцій. Передні двері, задні, бічні панелі і стінки з грунтовкою і порошковим структурним покриттям кольору RAL 7035. Також шафа ПКРП 0,4 кв 260 кВар ПКРП - 0.4 - 260 - 8 – 20 УЗ , Залежно від потреб замовника. За бажанням замовника ми робимо так, щоб керування пристроями введення могло бути винесене назовні, а також мало можливість замикання на навісний замок. Двері шафи мають замок, тип якого визначається на стадії замовлення. У дверях шафи вмонтовано: регулятор реактивної потужності, індикатори спрацьовування ступенів, а також ключ вибору режиму роботи установки.
Конденсаторна установка 0,4 260 кВар ПКРП - 0.4 - 260 - 8 – 20 УЗ зазвичай постачається з наступним обладнанням:
⇒ регулятор реактивної потужності;
⇒ автоматичні вимикачі;
⇒ плавкі запобіжники;
⇒ вимикачі навантаження з плавкими запобіжниками;
⇒ вимикач навантаження;
⇒ контактори силові для комутації конденсаторів;
⇒ силові конденсатори;
⇒ фільтруючі дроселі (при необхідності);
⇒ конденсаторні батареї.
Конструкцією установки передбачена можливість за погодженням із замовником встановити автоматичну систему примусової вентиляції, яка розраховується для кожного конкретного застосування. Система вентиляції може також поєднуватися зі спеціальними фільтрами, що дозволяють застосовувати установку у забруднених приміщеннях без втрати необхідного ступеня захисту.
Монтаж електричних кіл усередині установки можна виконати мідними або алюмінієвими провідниками.
Конструкція установки забезпечує зручне та безпечне підключення ввідних ліній.
Схема установки ПКРП-0,4-260-8-20:
.png)
Відео огляди на товар Пристрій компенсації реактивої потужності 260кВар ПКРП-0,4-260-8-20
- Під замовлення (вартість вказана орієнтовна; прорахунок здійснюється за індивідуальним замовленням)Швидкий переглядInstall Group (Україна)УКРМ-0,4-350-12-2,5
- Під замовлення (вартість вказана орієнтовна; прорахунок здійснюється за індивідуальним замовленням)Швидкий переглядInstall Group (Україна)УКРМ-0,4-150-6-5
- Під замовлення (вартість вказана орієнтовна; прорахунок здійснюється за індивідуальним замовленням)Швидкий переглядInstall Group (Україна)УКРМ-0,4-30-5-2,5
- Під замовлення (вартість вказана орієнтовна; прорахунок здійснюється за індивідуальним замовленням)Швидкий переглядInstall Group (Україна)УКРМ-0,4-60-6-2,5
- Під замовлення (вартість вказана орієнтовна; прорахунок здійснюється за індивідуальним замовленням)Швидкий переглядInstall Group (Україна)УКРМ-0,4-200-6-20
- Під замовлення (вартість вказана орієнтовна; прорахунок здійснюється за індивідуальним замовленням)Швидкий переглядInstall Group (Україна)УКРМ-0,4-140-12-2,5
- Під замовлення (вартість вказана орієнтовна; прорахунок здійснюється за індивідуальним замовленням)Швидкий переглядInstall Group (Україна)УКРМ-0,4-100-6-2,5
- Під замовлення (вартість вказана орієнтовна; прорахунок здійснюється за індивідуальним замовленням)Швидкий переглядInstall Group (Україна)УКРМ - 0.4 - 15кВар - 4 - 2,5 УЗ
- Під замовлення (вартість вказана орієнтовна; прорахунок здійснюється за індивідуальним замовленням)Швидкий переглядInstall Group (Україна)УКРМ - 0.4 - 1900кВар-24 УЗ
- Під замовлення (вартість вказана орієнтовна; прорахунок здійснюється за індивідуальним замовленням)Швидкий переглядInstall Group (Україна)УКРМ - 0.4 - 100кВар - 5 - 10 УЗ
- Під замовлення (вартість вказана орієнтовна; прорахунок здійснюється за індивідуальним замовленням)Швидкий переглядInstall Group (Україна)УКРМ - 0.4 - 100кВар - 6 - 5 УЗ
- Під замовлення (вартість вказана орієнтовна; прорахунок здійснюється за індивідуальним замовленням)Швидкий переглядInstall Group (Україна)УКРМ - 0.4 - 105кВар - 6 - 5 УЗ
Виробники
- 2E (Китай)
- Adal Pano (Туреччина)
- Altek (Україна)
- ANKER (Китай)
- APRO (Україна)
- BactoSfera (Україна)
- Berker (Німеччина)
- BM Group (Італія)
- Cetinkaya Pano (Туреччина)
- CHINT (Китай)
- CNC (Китай)
- Courbi (Греція)
- DATAKOM (Туреччина)
- Devi (Данія)
- Deye (Китай)
- DigiTop (Україна)
- DKC (Україна)
- Dyness (Китай)
- E.NEXT (Україна)
- EAE Electric
- Eastron (Китай)
- Eaton (США)
- ElectrO (Україна)
- Eleks (Україна)
- Entes (Туреччина)
- EON (Таїланд)
- ETI (Словенія)
- ETREL (Словенія)
- Evrosvet (Україна)
- Extherm (Німеччина)
- F&F (Польща)
- FS (Україна)
- Galkat (Україна)
- GAMA (Україна)
- GARO (Австрія)
- GENERICA (Китай)
- Gewiss (Італія)
- Ginlong Solis (Китай)
- GreenVision (Китай)
- Hager (Німеччина)
- Haupa (Німеччина)
- Hemstedt (Німеччина)
- Horoz Electric (Туреччина)
- Huawei (Китай)
- IME (Італія)
- Install Group (Україна)
- IPmall (Україна)
- JA SOLAR (Китай)
- Jokari (Німеччина)
- Kanlux
- Katko (Фінляндія)
- KNIPEX (Чехія)
- Kolarz (Австрія)
- Kopos (Чехія)
- Legrand (Франція)
- LogicPower (Україна)
- LuxPower (Китай)
- Massive (Бельгія)
- NIK (Україна)
- NOARK
- OBO Betterman (Німеччина)
- Onka (Туреччина)
- OZKA (Україна)
- Phoenix Contact (Німеччина)
- Plank Electrotechnic (Україна)
- Pro'sKit (Тайвань)
- PYLONTECH (Китай)
- Radpol (Польща)
- Raut (Україна)
- Reliance (Україна)
- REM POWER (Словенія)
- Schneider-Electric (Франція)
- Selec (Індія)
- SEZ (Словаччина)
- Siemens (Німеччина)
- Socomec (Франція)
- SOFAR (Китай)
- Sungrow (Китай)
- TAB (Словенія)
- Takel (УкраЇна)
- Technoelectric (Італія)
- Technosystems (Україна)
- TeleTec (Україна)
- TEM (Словенія)
- Tense (Туреччина)
- Terneo (Україна)
- Testboy (Німеччина)
- UEC (Україна)
- UEK (Україна)
- Vargo (Україна)
- Vimar (Італія)
- Volter (Україна)
- Volterm (Україна)
- Wago (Німеччина)
- Wallbox (Іспанія)
- WURTH (Німеччина)
- Zubr (Україна)
- АС Привод (Україна)
- АСКО-УКРЕМ (Україна)
- Білмакс
- Запорізький завод кольорових металів (ЗЗКМ)
- Каблекс Одеса
- Мегомметр (Україна)
- Новатек-Електро (Україна)
- Одескабель Одеський кабельний завод
- Промфактор
- Термофіт
- Укренерго-Альянс (Україна)









