-
Під замовлення (вартість вказана орієнтовна; прорахунок здійснюється за індивідуальним замовленням)
Інженер-конструктор з Електрощитового Обладнання
Підрахунок замовлення
Установка компенсації реактивної потужності 125 кВар УКРП - 0.4 - 125кВар - 5 - 25 УЗ
-
138086УКРМ - 0.4 - 125кВар - 5 - 25 УЗ8537
Доставка в будь-яке місто України протягом 2-3 робочих днів
Знижки постійним клієнтам- Ми працюємо по 100% передоплаті
- Мінімальна сума замовлення 500 грн
- Безготівковий розрахунок
- Онлайн оплата за реквізитами
Захист споживача
-
Характеристики
- Номінальна потужність: 125 кВАр
- Мінімальна ступінь: 25 кВАр
- Кількість ступенів: 5
- Номінальний струм установки: 312.5 А
- Номінальна напруга: 400 В (440В)
- Країна реєстрації бренда: Україна
Прилади компенсації реактивної потужності використовуються в розподільчих системах і є ефективними та діячими іструментами для зниження споживання реактивної потужності користувачами електроенергії в мережах 0,4 кВ 125 кВар УКРП - 0.4 - 125 - 5 - 25 УЗ, забеспечують пряму компенсацію реактивної енергії, вносячи рішуючий вклад в стабілізацію напруг та струмів в мережі.
УКРП 0,4 кв 125 кВар УКРП - 0.4 - 125 - 5 - 25 УЗ забезпечує компенсацію реактивної потужності електричних приладів індуктивних значень. Використовується для підтримання постійного заданого значення коефіцієнта потужності - (cos φ) в електричних розподільчих мережах промислових підприємств та інших об'єктів з напругою 380В, 50 Гц.
Використання конденсаторних устаткувань 0,4 кв 125 кВар УКРП - 0.4 - 125 - 5 - 25 УЗ дозволяє:
- конденсаторне устаткування- 0,4 кВ 125 кВар УКРП - 0.4 - 125 - 5 - 25 УЗ дозволяє розвантажити лінії електропередач, трансформатори та розподільчі устаткування;
-скоротити витрати на електроенергію для вашого підприємства завдяки укрп 0,4 кВ 125 кВар УКРП - 0.4 - 125 - 5 - 25 УЗ;
-дозволяє скоротити рівень вищих гармонік;
-для зниження розбалансування фаз та перешкод в мережі;
-конденсаторне устаткування укрп 0,4 кВ 125 кВар УКРП - 0.4 - 125 - 5 - 25 УЗ заснована на використанні високоякісних компонентів та виробничих потужностів. Вони підвищують ефективність роботи розподільчих мереж і забезпечують більшу надійність.
Процент сили після компенсації може складати від 0,9 до 0,99.
Шафи УКРП 0,4 кВ 125 кВар УКРП - 0.4 - 125 - 5 - 25 УЗ виконуються на базі каркасних чи цільносварних металоконструкцій. Передні дверцята, задні, бокові панелі та стінки з грунтовкой і порошковим структурним покриттям кольора RAL 7035. Також шафа укрп 0,4 кВ 125 кВар УКРП - 0.4 - 125 - 5 - 25 УЗ може бути вироблена в пластиковому боксі з монтажною панелью, в залежності від потреб замовника. По бажанню замовника ми робимо так, щоб керування устаткуванням введення могло бути внесено назовні, атакож мало можливість закривання на зовнішній замок. Дверцята шафи мають замок, тип якого оговорюється на стадії замовлення. В двері шафи вмонтовані: регулятор реактивної потужності, індикатор спрацювання ступеней, атакож ключ вибору режимыв роботи устаткування.
Конденсаторне устаткування 0,4 кВ 125 кВар УКРП - 0.4 - 125 - 5 - 25 УЗ як правило постачається з слідуючими приладами:
• регулятор реактивної потужності;
• автоматичні вимикачі;
• плавкі запобіжники;
• вимикачі навантаження;
• контактори силові для комутації конденсаторів;
• силові конденсатори;
• фільтруючі дроселі;
• конденсаторні батареї.
Конструкцією устаткування передбачена можливість за погодженням з замовником встановити автоматичну систему примусової вентиляції, розрахованої для кожного конкретного використання. Система вентиляції може також комплектуватися з спеціальними фільтрами, дозволяючими використовувати устаткування в забруднених приміщеннях без втрати необхідної ступені захисту.
Монтаж електричних кіл всередині устаткування виготовлено мідними провідниками та алюмінієвими чи мідними шинами.
Конструкція устаткування забеспечує зручне и беспечне підключення вступних ліній.
Структура умоного позначення конденсаторного устаткування КРП 0,4:
УКРМ XX -ХХХ /ХХ -Х -У3
1 2 3 4 5 6
1. Автоматичне конденсаторне устаткування. Можливі скорочення, які використовуються для конденсаторного устаткування 0,4:
- УКП - устаткування компенсації потужності;
- КРП - компенсація реактивної потужності;
- УКРП - устаткування компенсації реактивної потужності;
- ККУ - комплектне конденсаторне устаткування;
- АКУ - автоматичне конденсаторне устаткування.
2. Номінальна напруга устаткування (кВ).
3. Номінальна потужність устаткування.
4. Кількість ступеней.
5. Номінальна потужність ступені регулювання в кВАр.
6. Кліматичне виконання згідно з ГОСТ 15150-69
В нашому випадку це устаткування компенсації реактивної потужності 125 кВар УКРП - 0.4 - 125 - 5 - 25 УЗ
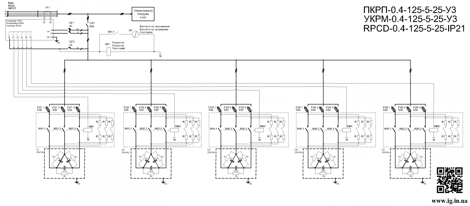
Схема устаткування:
.png)
Формулювання заказу
Устаткування компенсації реактивної потужності виробляють нашими сертифіційними спеціалістами на підставі затвердженого проекту. Для визначення устаткування в проекті достатньо вказати його тип (наприклад, УК-0,4-125-20). Визначення чіткої конфігурації вашого конденсатора- це індивідуальний процесс, який починається з заповнювання опитового листа. Ми представимо вам смету и спроєктуємо вашу систем у, виходячи з того, які фактори для вас найбільш важливі.
За відсутності проекту формується технічне завдання. Завдання, крім заповнення опитувальних листів, має містити слідуючу інформацію:
• номінальна напруга;
• величина очікуємого струму короткого замикання на вводі або данні, яких достатньо для визначення цієї величини;
• ступінь захисту IP;
• данні зовнішніх приєднань (тип, матеріал, переріз, кількість, просторова орієнтація);
• система електричної мережі.
Комплект постачання:
• устаткування УКРП-0,4 125 кВар УКРП - 0.4 - 125 - 5 - 25 УЗ в упаковці - 1 шт.
• ключ від замка двері - 2 шт.
• експлутаційні документи - 1 компл.
Відео огляди на товар
- Під замовлення (вартість вказана орієнтовна; прорахунок здійснюється за індивідуальним замовленням)Швидкий переглядInstall Group (Україна)УКРМ-0,4-350-12-2,5
- Під замовлення (вартість вказана орієнтовна; прорахунок здійснюється за індивідуальним замовленням)Швидкий переглядInstall Group (Україна)УКРМ-0,4-150-6-5
- Під замовлення (вартість вказана орієнтовна; прорахунок здійснюється за індивідуальним замовленням)Швидкий переглядInstall Group (Україна)УКРМ-0,4-30-5-2,5
- Під замовлення (вартість вказана орієнтовна; прорахунок здійснюється за індивідуальним замовленням)Швидкий переглядInstall Group (Україна)УКРМ-0,4-60-6-2,5
- Під замовлення (вартість вказана орієнтовна; прорахунок здійснюється за індивідуальним замовленням)Швидкий переглядInstall Group (Україна)УКРМ-0,4-200-6-20
- Під замовлення (вартість вказана орієнтовна; прорахунок здійснюється за індивідуальним замовленням)Швидкий переглядInstall Group (Україна)УКРМ-0,4-140-12-2,5
- Під замовлення (вартість вказана орієнтовна; прорахунок здійснюється за індивідуальним замовленням)Швидкий переглядInstall Group (Україна)УКРМ-0,4-100-6-2,5
- Під замовлення (вартість вказана орієнтовна; прорахунок здійснюється за індивідуальним замовленням)Швидкий переглядInstall Group (Україна)УКРМ - 0.4 - 15кВар - 4 - 2,5 УЗ
- Під замовлення (вартість вказана орієнтовна; прорахунок здійснюється за індивідуальним замовленням)Швидкий переглядInstall Group (Україна)УКРМ - 0.4 - 1900кВар-24 УЗ
- Під замовлення (вартість вказана орієнтовна; прорахунок здійснюється за індивідуальним замовленням)Швидкий переглядInstall Group (Україна)УКРМ - 0.4 - 100кВар - 5 - 10 УЗ
- Під замовлення (вартість вказана орієнтовна; прорахунок здійснюється за індивідуальним замовленням)Швидкий переглядInstall Group (Україна)УКРМ - 0.4 - 100кВар - 6 - 5 УЗ
- Під замовлення (вартість вказана орієнтовна; прорахунок здійснюється за індивідуальним замовленням)Швидкий переглядInstall Group (Україна)УКРМ - 0.4 - 105кВар - 6 - 5 УЗ
Виробники
- 2E (Китай)
- Adal Pano (Туреччина)
- Altek (Україна)
- ANKER (Китай)
- APRO (Україна)
- BactoSfera (Україна)
- Berker (Німеччина)
- BM Group (Італія)
- Cetinkaya Pano (Туреччина)
- CHINT (Китай)
- CNC (Китай)
- Courbi (Греція)
- DATAKOM (Туреччина)
- Devi (Данія)
- Deye (Китай)
- DigiTop (Україна)
- DKC (Україна)
- Dyness (Китай)
- E.NEXT (Україна)
- EAE Electric
- Eastron (Китай)
- Eaton (США)
- ElectrO (Україна)
- Eleks (Україна)
- Entes (Туреччина)
- EON (Таїланд)
- ETI (Словенія)
- ETREL (Словенія)
- Evrosvet (Україна)
- Extherm (Німеччина)
- F&F (Польща)
- FS (Україна)
- Galkat (Україна)
- GAMA (Україна)
- GARO (Австрія)
- GENERICA (Китай)
- Gewiss (Італія)
- Ginlong Solis (Китай)
- GreenVision (Китай)
- Hager (Німеччина)
- Haupa (Німеччина)
- Hemstedt (Німеччина)
- Horoz Electric (Туреччина)
- Huawei (Китай)
- IME (Італія)
- Install Group (Україна)
- IPmall (Україна)
- JA SOLAR (Китай)
- Jokari (Німеччина)
- Kanlux
- Katko (Фінляндія)
- KNIPEX (Чехія)
- Kolarz (Австрія)
- Kopos (Чехія)
- Legrand (Франція)
- LogicPower (Україна)
- LuxPower (Китай)
- Massive (Бельгія)
- NIK (Україна)
- NOARK
- OBO Betterman (Німеччина)
- Onka (Туреччина)
- OZKA (Україна)
- Phoenix Contact (Німеччина)
- Plank Electrotechnic (Україна)
- Pro'sKit (Тайвань)
- PYLONTECH (Китай)
- Radpol (Польща)
- Raut (Україна)
- Reliance (Україна)
- REM POWER (Словенія)
- Schneider-Electric (Франція)
- Selec (Індія)
- SEZ (Словаччина)
- Siemens (Німеччина)
- SOFAR (Китай)
- Sungrow (Китай)
- Takel (УкраЇна)
- TDM electric (Україна)
- Technoelectric (Італія)
- Technosystems (Україна)
- TeleTec (Україна)
- TEM (Словенія)
- Tense (Туреччина)
- Terneo (Україна)
- Testboy (Німеччина)
- UEC (Україна)
- UEK (Україна)
- Vargo (Україна)
- Vimar (Італія)
- Volter (Україна)
- Volterm (Україна)
- Wago (Німеччина)
- Wallbox (Іспанія)
- WURTH (Німеччина)
- Zubr (Україна)
- АС Привод (Україна)
- АСКО-УКРЕМ (Україна)
- Білмакс
- Запорізький завод кольорових металів (ЗЗКМ)
- Каблекс Одеса
- Мегомметр (Україна)
- Новатек-Електро (Україна)
- Одескабель Одеський кабельний завод
- Промфактор
- Термофіт
- Укренерго-Альянс (Україна)







