- 
Скидка 10% - за регистрацию! Условия по ссылке! 
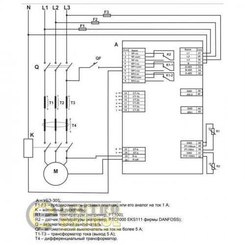
- Универсальный блок защиты УБЗ-305M- 
139655УБЗ-305M8536 90 95 00
 Доставка в любой город Украины в течении 2-3 рабочих дней Доставка в любой город Украины в течении 2-3 рабочих дней Cкидки постоянным клиентам Cкидки постоянным клиентам- Мы работаем по 100% предоплате
- Минимальная сумма заказа 500 грн
- Безналичный расчет
- Онлайн оплата по реквизитам
 - Защита покупки - Наша компания - официальный дистрибьютор производителя Новатек 
 
- 
УБЗ предназначен для защиты асинхронных электродвигателей мощностью от 2,5 до 315 кВт при использовании внешних стандартных токовых трансформаторов с выходным током 5 А.
УБЗ может работать в сетях как с изолированной, так и глухозаземленной нейтралью.
Исполнение прибора – DIN-рейка.
УБЗ обеспечивает постоянный контроль параметров сетевого напряжения, действующих значений фазных (линейных) токов трехфазного электрооборудования 380 В 50 Гц и проверку значения сопротивления изоляции электродвигателей.
УБЗ обеспечивает защиту электродвигателей при:
- Некачественном сетевом напряжении (недопустимые скачки напряжения, обрыв фаз, нарушение чередования и слипание фаз, перекос фазных/линейных напряжений, снижение частоты сети ниже заданной и (или) повышение частоты сети выше заданной);
- Механических перегрузках (симметричный перегруз по фазным/линейным токам);
- Превышении порога током обратной последовательности;
- Несимметрии фазных токов без перегруза, связанной с нарушением изоляции внутри двигателя и/или подводящего кабеля (сравнение коэффициента несимметрии тока по обратной последовательности с коэффициентом несимметрии напряжения по обратной последовательности);
- Исчезновении момента на валу электродвигателя («сухой ход» — для насосов) – защита по минимальному пусковому и/или рабочему току;
- Затянутом пуске двигателя или блокировке ротора;
- Недопустимо низком уровне изоляции между статором и корпусом двигателя (проверка перед включением);
- Замыкании на «землю» обмотки статора во время работы – защита по токам утечки на «землю»;
- Тепловой перегрузке двигателя;
- Перегреве обмоток (определяется температура обмоток при использовании встроенных в двигатель температурных датчиков или температура корпуса при использовании внешних температурных датчиков).
- Быстрый просмотрНоватек-Электро (Украина)UBZ-302M
- Быстрый просмотр
- Быстрый просмотрНоватек-Электро (Украина)УБЗ-301-01 5-50 А- Номинальный ток, А: 10-100 А
 
- Быстрый просмотр- Номинальный ток, А: 5-50 А
 
- Быстрый просмотр
- Быстрый просмотр- Номинальный ток, А: 0,5-630 А
 
- Быстрый просмотрНоватек-Электро (Украина)УБЗ-301 10-100 А- Номинальный ток, А: 10-100 А
 
- Быстрый просмотрНоватек-Электро (Украина)УБЗ-301 5-50 А- Номинальный ток, А: 5-50 А
 
- Быстрый просмотрНоватек-Электро (Украина)УБЗ-301 63-630 А- Номинальный ток, А: 63-630 А
 
Производители
- 2E (Китай)
- Adal Pano (Турция)
- Altek (Украина)
- ANKER (Китай)
- APRO (Украина)
- BactoSfera (Украина)
- Berker (Германия)
- BM Group (Италия)
- Cetinkaya Pano (Турция)
- CHINT (Китай)
- CNC (Китай)
- Courbi (Греция)
- DATAKOM (Турция)
- Devi (Дания)
- Deye (Китай)
- DigiTop (Украина)
- DKC (Украина)
- Dyness (Китай)
- E.NEXT (Украина)
- EAE Electric
- Eastron (Китай)
- Eaton (США)
- ElectrO (Украина)
- Eleks (Украина)
- Entes (Турция)
- EON (Таиланд)
- ETI (Словения)
- ETREL (Словения)
- Evrosvet (Украина)
- Extherm (Германия)
- F&F (Польша)
- FS (Украина)
- Galkat (Украина)
- GAMA (Украина)
- GARO (Австрия)
- GENERICA (Китай)
- Gewiss (Италия)
- Ginlong Solis (Китай)
- GreenVision (Китай)
- Hager (Германия)
- Haupa (Германия)
- Hemstedt (Германия)
- Horoz Electric (Турция)
- Huawei (Китай)
- IME (Италия)
- Install Group (Украина)
- IPmall (Украина)
- JA SOLAR (Китай)
- Jokari (Германия)
- Kanlux
- Katko (Финляндия)
- KNIPEX (Чехия)
- Kolarz (Австрия)
- Kopos (Чехия)
- Legrand (Франция)
- LogicPower (Украина)
- LuxPower (Китай)
- Massive (Бельгия)
- NIK (Украина)
- NOARK
- OBO Betterman (Германия)
- Onka (Турция)
- OZKA (Украина)
- Phoenix Contact (Германия)
- Plank Electrotechnic (Украина)
- Pro'sKit (Тайвань)
- PYLONTECH (Китай)
- Radpol (Польша)
- Raut (Украина)
- Reliance (Украина)
- REM POWER (Словения)
- Schneider-Electric (Франция)
- Selec (Индия)
- SEZ (Словакия)
- Siemens (Германия)
- SOFAR (Китай)
- Sungrow (Китай)
- Takel (Украина)
- TDM electric (Украина)
- Technoelectric (Италия)
- Technosystems (Украина)
- TeleTec (Украина)
- TEM (Словения)
- Tense (Турция)
- Terneo (Украина)
- Testboy (Германия)
- UEC (Украина)
- UEK (Украина)
- Vargo (Украина)
- Vimar (Италия)
- Volter (Украина)
- Volterm (Украина)
- Wago (Германия)
- Wallbox (Испания)
- WURTH (Германия)
- Zubr (Украина)
- АС Привод (Украина)
- АСКО-УКРЕМ (Украина)
- Билмакс
- Запорожский завод цветных металлов (ЗЗЦМ)
- Каблекс Одесса
- Мегомметр (Украина)
- Новатек-Электро (Украина)
- Одескабель Одесский кабельный завод
- Промфактор
- Термофит
- Укрэнерго-Альянс (Украина)



 
  
 
 
 
 
