-
Под заказ (стоимость указана ориентировочная; просчет осуществляется по индивидуальному заказу)
Инженер-конструктор по Электрощитовому Оборудованию
Просчет заказа
Щит автоматического ввода резерва АВР-400-3в-630А
-
140726АВР-400-6308537
Доставка в любой город Украины в течении 2-3 рабочих дней
Cкидки постоянным клиентам- Мы работаем по 100% предоплате
- Минимальная сумма заказа 500 грн
- Безналичный расчет
- Онлайн оплата по реквизитам
Защита покупки
-
Характеристики
- Номинальный ток: 630A
- Номинальное напряжение: 230В/400В
- Частота сети: 50 Гц
- Комплектация оборудования, представленного на фото может не соотвествовать указанной цене и описанию: !!!
- Учет электроэнергии: Нет
- Количество вводов: 3
♦ Условия оформления заказа на сборку щитового оборудования ♦
- Клиент присылает техническое задание (в телефонном режиме, на электронною почту, в социальных сетях и др.)
- Соответственно техническому заданию мы делаем коммерческое предложение и отправляем Вам его любым каналом связи
- Создаем типовый договор на сотрудничество с Вами
- Вы оплачиваете свой заказ удобным Вам способом соответственно счету выставленного нашей компанией
- Мы в ближайшие сроки начинаем сборку щитового оборудования (сроки могут меняться в зависимости от степени нагрузки в нашей компании)
- После сборки щитовое изделие проверяется нашими высококвалифицированными техническими специалистами на корректность работы
- Доставка по Вашему адресу обусловленным способом
- Монтаж и наладка (если это предусмотрено в договоре)
- В комплекте с щитовым оборудованием мы поставляем следующую документацию: паспорт на готовое изделие; схему электрическую
- Все электрощитовое оборудование производится согласно техническим условиям ТУ У 27.1-42055633-001:2020
Компания «Инсталл Групп» занимается производством щитового оборудования типа АВР (Автоматический ввод резерва). Данное щитовое оборудование представлено и реализуется в Интернет-магазине «Электроконтроль». Сборка щитов производится специалистами необходимой квалификации в производственном цехе компании «Инсталл Групп». Проектирование, сборка и монтаж производится с учетом требований ПУЭ, безопасности и ресурсосбережению.
Щит автоматического ввода резерва (АВР) – один из типов электрощитового оборудования, предназначенный для обеспечения бесперебойной работы потребителя электросетью напряжением 400В переменного тока частотой сети 50 Гц, путем переключения нагрузки между основным и резервным источниками питания. Источниками питания, между которыми происходит переключения (при пропадании основного ввода электропитания) могут быть два независимых ввода (по схема «город 1» - «город 2» с приоритетом по одному из вводов), между основным и резервным источником (ГЭС – генераторная электро-станция) или между двумя основными и резервным источником (по схеме «Город 1» - «Город 2» - «Генератор»).
Данный тип щитового оборудования используют как в бытовой сфере, так и в промышленной сфере (когда длительная остановка подачи электропитания не допустима для стабильной и без аварийной работы).
Конструктивно АВР можно выполнить в 2-х вариантах:
♦ На контакторах (модификация АВР-200 и АВР-300)
♦ На автоматических выключателях с мотор-приводом (модификация АВР-400)
Особенности конструкции щита автоматического ввода резерва с мотор-приводом АВР-400. Устройство автоматического ввода резерва включает в себя три основных элемента: автоматический выключатель с мотор-приводом, контроллер, переключатель. Переключение между вводами происходит с помощью автоматических выключателей, которые переключаются мотор-приводом. Мотор привод, в свою очередь, управляется контроллером, который находится в корпусе мотор-привода или отдельно стоящий, зависит от конструктивного решения завода изготовителя
Габаритные размеры и внешний вид АВР-400-3в-630А:

Конструктивное исполнение корпуса щита автоматического ввода резерва АВР-400-3в-630А:
♦ Размер – 1800х800х450мм (ВхШхГ)
♦ Материал корпуса: металлический (возможность выбора толщины метала: 0,8мм; 1мм; 1,2мм)
♦ Тип покраски – порошковая, цвет RAL7035 (при необходимости можно выбрать другой цвет под потребности заказчика)
♦ Климатическое исполнение – IP31 (по желанию заказчика можно выполнить до IP54)
♦ Странна производитель – Украина
♦ Производитель – ООО «Инсталл Групп»
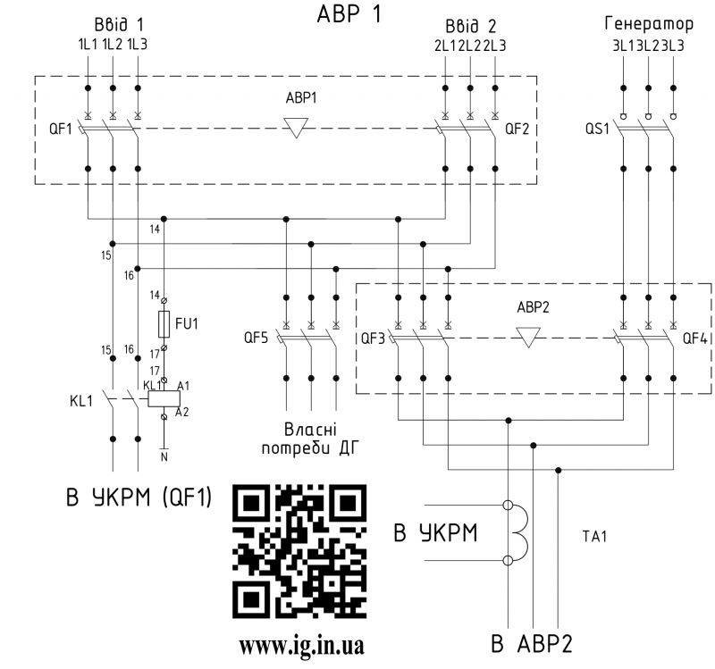
Схема управления автоматическим вводом резерва АВР-400-3в-630А:
.png)
Принцип работы данной схемы автоматического ввода резерва АВР-400-3в-630А:
Данную схему щита автоматического ввода резерва с мотор приводом АВР-400 условно можно разделить на два уровня. На первом уровне осуществляется переключение между двумя ввода «Ввод 1» («Город 1») и «Ввод 2» («Город 2») с приоритетом по вводу «Ввод 1». Контроллер отслеживает наличие напряжения на каждой из фаз, правильность их переключения, контролирует параметры на основном вводе. При пропадании напряжения на основном вводе, а так же при выходе параметров сети основного ввода из установленных пределов, контроллер подает сигнал мотор-приводу на отключения автоматического выключателя QF1 и сигнал на включения автоматического выключателя QF2. Переключения между вводами выполняется с задержкой по времени.
В случае, когда на вводе «Город 1» и на вводе «Город 2» пропадает напряжение схема управления переключается на второй уровень АВР. Где так же имеется два ввода: «Город» (QF 3) и резервный ввод от дизель-генератора «Генератор» (QF 4) с приоритетом по вводу «Город». Выключатель нагрузки QS1 всегда находится в положении «1» (включено). При пропадании напряжения на вводе «Город» контролер подает сигнал мотор-приводу на отключения автоматического выключателя QF3 и сигнал на включения автоматического выключателя QF4.
Как только на вводе с приоритетом появляется напряжения, или параметры основной сети стабилизировались, происходит автоматическое переключения с резервного ввода на основной.
Основной комплект оборудования, которое входит в АВР-400-3в-630А:
⇒ Четыре промышленных автоматических выключателя
⇒ Мотор-привод
⇒ Контроллер
⇒ Выключатель нагрузки (для ввода от генератора)
⇒ Индикаторы световой сигнализации
⇒ По требованию заказчика возможно установка автоматических выключателей для подключения потребителей, дополнительной аппаратуры: реле времени, амперметров, вольтметров, анализатора параметров сети и т.п..
Цена указанная на сайте была просчитана с использованием оборудования производителя ЕТІ. При сборке данного щитового оборудования возможно использовать следующих европейских производителей: Eaton (США), ЕТI (Словения), ABB (Германия), Schneider Electric (Франция), Hager (Германия) и др.. А так же из других бюджетных имменитых брендов: CHINT (Китай), CNC (Китай), UEK (Украина), АСКО-УКРЕМ (Украина), Промфактор (Украина) и т.д.
Видеообзоры на товар
Подобные товары
- Под заказ (стоимость указана ориентировочная; просчет осуществляется по индивидуальному заказу)Быстрый просмотр
- Под заказ (стоимость указана ориентировочная; просчет осуществляется по индивидуальному заказу)Быстрый просмотр
- Под заказ (стоимость указана ориентировочная; просчет осуществляется по индивидуальному заказу)Быстрый просмотр
- Под заказ (стоимость указана ориентировочная; просчет осуществляется по индивидуальному заказу)Быстрый просмотр
- Под заказ (стоимость указана ориентировочная; просчет осуществляется по индивидуальному заказу)Быстрый просмотр
- Под заказ (стоимость указана ориентировочная; просчет осуществляется по индивидуальному заказу)Быстрый просмотр
- Под заказ (стоимость указана ориентировочная; просчет осуществляется по индивидуальному заказу)Быстрый просмотр
- Под заказ (стоимость указана ориентировочная; просчет осуществляется по индивидуальному заказу)Быстрый просмотр
- Под заказ (стоимость указана ориентировочная; просчет осуществляется по индивидуальному заказу)Быстрый просмотр
- Под заказ (стоимость указана ориентировочная; просчет осуществляется по индивидуальному заказу)Быстрый просмотр
- Под заказ (стоимость указана ориентировочная; просчет осуществляется по индивидуальному заказу)Быстрый просмотр
- Под заказ (стоимость указана ориентировочная; просчет осуществляется по индивидуальному заказу)Быстрый просмотр
Под заказ (стоимость указана ориентировочная; просчет осуществляется по индивидуальному заказу)
Под заказ (стоимость указана ориентировочная; просчет осуществляется по индивидуальному заказу)
Производители
- 2E (Китай)
- Adal Pano (Турция)
- Altek (Украина)
- ANKER (Китай)
- APRO (Украина)
- BactoSfera (Украина)
- Berker (Германия)
- BM Group (Италия)
- Cetinkaya Pano (Турция)
- CHINT (Китай)
- CNC (Китай)
- Courbi (Греция)
- DATAKOM (Турция)
- Devi (Дания)
- Deye (Китай)
- DigiTop (Украина)
- DKC (Украина)
- Dyness (Китай)
- E.NEXT (Украина)
- EAE Electric
- Eastron (Китай)
- Eaton (США)
- ElectrO (Украина)
- Eleks (Украина)
- Entes (Турция)
- EON (Таиланд)
- ETI (Словения)
- ETREL (Словения)
- Evrosvet (Украина)
- Extherm (Германия)
- F&F (Польша)
- FS (Украина)
- Galkat (Украина)
- GAMA (Украина)
- GARO (Австрия)
- GENERICA (Китай)
- Gewiss (Италия)
- Ginlong Solis (Китай)
- GreenVision (Китай)
- Hager (Германия)
- Haupa (Германия)
- Hemstedt (Германия)
- Horoz Electric (Турция)
- Huawei (Китай)
- IME (Италия)
- Install Group (Украина)
- IPmall (Украина)
- JA SOLAR (Китай)
- Jokari (Германия)
- Kanlux
- Katko (Финляндия)
- KNIPEX (Чехия)
- Kolarz (Австрия)
- Kopos (Чехия)
- Legrand (Франция)
- LogicPower (Украина)
- LuxPower (Китай)
- Massive (Бельгия)
- NIK (Украина)
- NOARK
- OBO Betterman (Германия)
- Onka (Турция)
- OZKA (Украина)
- Phoenix Contact (Германия)
- Plank Electrotechnic (Украина)
- Pro'sKit (Тайвань)
- PYLONTECH (Китай)
- Radpol (Польша)
- Raut (Украина)
- Reliance (Украина)
- REM POWER (Словения)
- Schneider-Electric (Франция)
- Selec (Индия)
- SEZ (Словакия)
- Siemens (Германия)
- SOFAR (Китай)
- Sungrow (Китай)
- Takel (Украина)
- TDM electric (Украина)
- Technoelectric (Италия)
- Technosystems (Украина)
- TeleTec (Украина)
- TEM (Словения)
- Tense (Турция)
- Terneo (Украина)
- Testboy (Германия)
- UEC (Украина)
- UEK (Украина)
- Vargo (Украина)
- Vimar (Италия)
- Volter (Украина)
- Volterm (Украина)
- Wago (Германия)
- Wallbox (Испания)
- WURTH (Германия)
- Zubr (Украина)
- АС Привод (Украина)
- АСКО-УКРЕМ (Украина)
- Билмакс
- Запорожский завод цветных металлов (ЗЗЦМ)
- Каблекс Одесса
- Мегомметр (Украина)
- Новатек-Электро (Украина)
- Одескабель Одесский кабельный завод
- Промфактор
- Термофит
- Укрэнерго-Альянс (Украина)






