- 
Под заказ (стоимость указана ориентировочная; просчет осуществляется по индивидуальному заказу)Инженер-конструктор по Электрощитовому ОборудованиюПросчет заказа 
- Установка компенсации реактивной мощности 35 кВар УКРМ - 0.4 - 35кВар - 3 - 5 УЗ- 
138065УКРМ - 0.4 - 35кВар - 3 - 5 УЗ8537
 Доставка в любой город Украины в течении 2-3 рабочих дней Доставка в любой город Украины в течении 2-3 рабочих дней Cкидки постоянным клиентам Cкидки постоянным клиентам- Мы работаем по 100% предоплате
- Минимальная сумма заказа 500 грн
- Безналичный расчет
- Онлайн оплата по реквизитам
 - Защита покупки 
 
- 
Характеристики
- Номинальная мощность: 35 кВАр
- Минимальная ступень: 5 кВАр
- Количество ступеней : 3
- Номинальный ток установки: 70А
- Номинальное напряжение: 400 В (440В)
- Страна регистрации бренда : Украина
- Страна производитель товара: Украина
Устройства компенсации реактивной мощности используются в распределительных системах и являются эффективными и действенными инструментами для снижения потребления реактивной мощности потребителями электроэнергии в сетях 0,4 кВ. УКРМ 0,4 35 кВар УКРМ - 0.4 - 35 - 3 - 5 УЗ обеспечивают прямую компенсацию реактивной энергии, внося решающий вклад в стабилизацию напряжений и токов в сети
УКРМ 0,4 кв 35 кВар УКРМ - 0.4 - 35 - 3 - 5 УЗ обеспечивающее компенсацию реактивной мощности электрических устройств индуктивной значений. Используется для поддержания постоянного заданного значения коэффициента мощности- (cos φ) в электрических распределительных сетях промышленных предприятий и других объектов с напряжением 380В, 50 Гц.
Использование конденсаторных установок 0,4 кв 35 кВар УКРМ - 0.4 - 35 - 3 - 5 УЗ позволяет:
- конденсаторные установки-0,4 кВ 35 кВар УКРМ - 0.4 - 35 - 3 - 5 УЗ позволяет разгрузить линии электропередачи, трансформаторы и распределительные устройства.;
- сократить расходы на электроэнергию для вашего предприятия с помощью крм 0,4 35 кВар УКРМ - 0.4 - 35 - 3 - 5 УЗ.;
- позволяет снизить уровень высших гармоник;
- для уменьшения разбалансировки фаз и помех в сети;
- конденсаторная установка крм 0,4 35 кВар УКРМ - 0.4 - 35 - 3 - 5 УЗ основана на использовании высококачественных компонентов и производственных мощностей. Они повышают эффективность работы распределительных сетей и обеспечивают большую надежность.
Процент силы после компенсации может составлять от 0,9 до 0,99.
Шкафы УКРМ 0,4 35 кВар УКРМ - 0.4 - 35 - 3 - 5 УЗ выполняются на базе каркасных или цельносварных металлоконструкций. Передние двери, задние, боковые панели и стенки с грунтовкой и порошковым структурным покрытием цвета RAL 7035. Так же шкаф крм 0,4 кв 35 кВар УКРМ - 0.4 - 35 - 3 - 5 УЗ может быть произведен в пластиковом боксе с монтажной панелью, в зависимости от нужд заказчика. По желанию заказчика мы делаем так, чтобы управление устройствами ввода могло быть вынесено наружу, а также имело возможность запирания на навесной замок. Двери шкафа имеют замок, тип которого оговаривается на стадии заказа. В двери шкафа вмонтированы: регулятор реактивной мощности, индикаторы срабатывания ступеней, а также ключ выбора режима работы установки.
Конденсаторная установка 0,4 35 кВар УКРМ - 0.4 - 35 - 3 - 5 УЗ обычно поставляются со следующим оборудованием:
• регулятор реактивной мощности;
• автоматические выключатели;
• плавкие предохранители;
• выключатели нагрузки с плавкими предохранителями;
• выключатель нагрузки;
• контакторы силовые для коммутации конденсаторов;
• силовые конденсаторы;
• фильтрующие дроссели;
• конденсаторные батареи.
Конструкцией установки предусмотрена возможность по согласованию с заказчиком установить автоматическую систему принудительной вентиляции, рассчитываемая для каждого конкретного применения. Система вентиляции может также сочетаться со специальными
фильтрами, позволяющими применять установку в загрязненных помещениях без потери необходимой степени защиты.
Монтаж электрических цепей внутри установки выполнен медными проводниками и алюминиевыми или медными шинами.
Конструкция установки обеспечивает удобное и безопасное подключение вводных линий.
Структура условного обозначения конденсаторной установки КРМ 0,4:
УКРМ XX -ХХХ /ХХ -Х -У3
1 2 3 4 5 6
1. Автоматическая конденсаторная установка. Возможные сокращения, используемые для конденсаторных установок 0,4:
o УКМ - установка компенсации мощности;
o КРМ - компенсации реактивной мощности;
o УКРМ - установка компенсации реактивной мощности;
o ККУ - комплектная конденсаторная установка;
o АКУ - автоматическая конденсаторная установка.
2. Номинальное напряжение установки (кВ).
3. Номинальная мощность установки.
4. Количество ступеней.
5. Номинальная мощность ступени регулирования в кВАр.
6. Климатическое исполнение по ГОСТ 15150-69
В нашем случае это установка компенсации реактивной мощности 35 кВар УКРМ - 0.4 - 35 - 3 - 5 УЗ
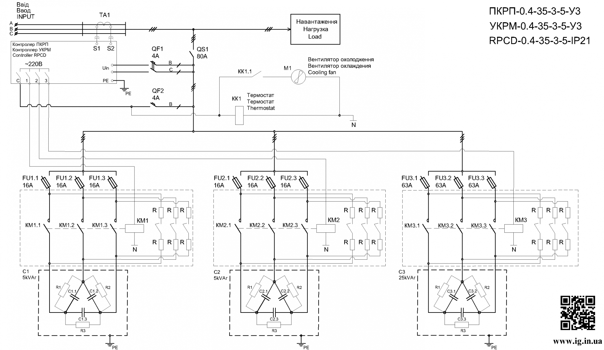
Схема установки:
.png)
Формулировка заказа
Устройства компенсации реактивной мощности изготавливаются нашими сертифицированными специалистами на основе утвержденного проекта. Для определения установки в проекте достаточно указать её тип (например, УК-0,4-125-20). Определение точной конфигурации вашего конденсатора — это индивидуальный процесс, который начинается с заполнения опросного листа. Мы предоставим вам смету и спроектируем вашу систему, исходя из того, какие факторы для вас наиболее важны.
При отсутствии проекта формируется техническое задание. Задание, помимо заполнения опросных листов, должно содержать следующую информацию:
• номинальное напряжение;
• величина ожидаемого тока короткого замыкания на вводе или данные, достаточные для определения
этой величины;
• степень защиты ІР;
• данные о внешних присоединениях (тип, материал, сечение, количество, пространственная ориентация);
• система электрической сети.
Комплект поставки:
• установка УКРМ-0,4 35 кВар УКРМ - 0.4 - 35 - 3 - 5 УЗ в упаковке – 1 шт.
• ключ от замка двери – 2 шт.
• эксплуатационные документы – 1 компл.
Видеообзоры на товар
- Под заказ (стоимость указана ориентировочная; просчет осуществляется по индивидуальному заказу)Быстрый просмотрInstall Group (Украина)УКРМ-0,4-350-12-2,5
- Под заказ (стоимость указана ориентировочная; просчет осуществляется по индивидуальному заказу)Быстрый просмотрInstall Group (Украина)УКРМ-0,4-150-6-5
- Под заказ (стоимость указана ориентировочная; просчет осуществляется по индивидуальному заказу)Быстрый просмотрInstall Group (Украина)УКРМ-0,4-30-5-2,5
- Под заказ (стоимость указана ориентировочная; просчет осуществляется по индивидуальному заказу)Быстрый просмотрInstall Group (Украина)УКРМ-0,4-60-6-2,5
- Под заказ (стоимость указана ориентировочная; просчет осуществляется по индивидуальному заказу)Быстрый просмотрInstall Group (Украина)УКРМ-0,4-200-6-20
- Под заказ (стоимость указана ориентировочная; просчет осуществляется по индивидуальному заказу)Быстрый просмотрInstall Group (Украина)УКРМ-0,4-140-12-2,5
- Под заказ (стоимость указана ориентировочная; просчет осуществляется по индивидуальному заказу)Быстрый просмотрInstall Group (Украина)УКРМ-0,4-100-6-2,5
- Под заказ (стоимость указана ориентировочная; просчет осуществляется по индивидуальному заказу)Быстрый просмотрInstall Group (Украина)УКРМ - 0.4 - 15кВар - 4 - 2,5 УЗ
- Под заказ (стоимость указана ориентировочная; просчет осуществляется по индивидуальному заказу)Быстрый просмотрInstall Group (Украина)УКРМ - 0.4 - 1900кВар-24 УЗ
- Под заказ (стоимость указана ориентировочная; просчет осуществляется по индивидуальному заказу)Быстрый просмотрInstall Group (Украина)УКРМ - 0.4 - 100кВар - 5 - 10 УЗ
- Под заказ (стоимость указана ориентировочная; просчет осуществляется по индивидуальному заказу)Быстрый просмотрInstall Group (Украина)УКРМ - 0.4 - 100кВар - 6 - 5 УЗ
- Под заказ (стоимость указана ориентировочная; просчет осуществляется по индивидуальному заказу)Быстрый просмотрInstall Group (Украина)УКРМ - 0.4 - 105кВар - 6 - 5 УЗ
Производители
- 2E (Китай)
- Adal Pano (Турция)
- Altek (Украина)
- ANKER (Китай)
- APRO (Украина)
- BactoSfera (Украина)
- Berker (Германия)
- BM Group (Италия)
- Cetinkaya Pano (Турция)
- CHINT (Китай)
- CNC (Китай)
- Courbi (Греция)
- DATAKOM (Турция)
- Devi (Дания)
- Deye (Китай)
- DigiTop (Украина)
- DKC (Украина)
- Dyness (Китай)
- E.NEXT (Украина)
- EAE Electric
- Eastron (Китай)
- Eaton (США)
- ElectrO (Украина)
- Eleks (Украина)
- Entes (Турция)
- EON (Таиланд)
- ETI (Словения)
- ETREL (Словения)
- Evrosvet (Украина)
- Extherm (Германия)
- F&F (Польша)
- FS (Украина)
- Galkat (Украина)
- GAMA (Украина)
- GARO (Австрия)
- GENERICA (Китай)
- Gewiss (Италия)
- Ginlong Solis (Китай)
- GreenVision (Китай)
- Hager (Германия)
- Haupa (Германия)
- Hemstedt (Германия)
- Horoz Electric (Турция)
- Huawei (Китай)
- IME (Италия)
- Install Group (Украина)
- IPmall (Украина)
- JA SOLAR (Китай)
- Jokari (Германия)
- Kanlux
- Katko (Финляндия)
- KNIPEX (Чехия)
- Kolarz (Австрия)
- Kopos (Чехия)
- Legrand (Франция)
- LogicPower (Украина)
- LuxPower (Китай)
- Massive (Бельгия)
- NIK (Украина)
- NOARK
- OBO Betterman (Германия)
- Onka (Турция)
- OZKA (Украина)
- Phoenix Contact (Германия)
- Plank Electrotechnic (Украина)
- Pro'sKit (Тайвань)
- PYLONTECH (Китай)
- Radpol (Польша)
- Raut (Украина)
- Reliance (Украина)
- REM POWER (Словения)
- Schneider-Electric (Франция)
- Selec (Индия)
- SEZ (Словакия)
- Siemens (Германия)
- SOFAR (Китай)
- Sungrow (Китай)
- Takel (Украина)
- TDM electric (Украина)
- Technoelectric (Италия)
- Technosystems (Украина)
- TeleTec (Украина)
- TEM (Словения)
- Tense (Турция)
- Terneo (Украина)
- Testboy (Германия)
- UEC (Украина)
- UEK (Украина)
- Vargo (Украина)
- Vimar (Италия)
- Volter (Украина)
- Volterm (Украина)
- Wago (Германия)
- Wallbox (Испания)
- WURTH (Германия)
- Zubr (Украина)
- АС Привод (Украина)
- АСКО-УКРЕМ (Украина)
- Билмакс
- Запорожский завод цветных металлов (ЗЗЦМ)
- Каблекс Одесса
- Мегомметр (Украина)
- Новатек-Электро (Украина)
- Одескабель Одесский кабельный завод
- Промфактор
- Термофит
- Укрэнерго-Альянс (Украина)





 
 